詳細信息
帶偏心套和加長內圈的嵌入式軸承
嵌入式軸承基于密封深溝球軸承設計的。 這種型式的嵌入式軸承適用于旋轉方向固定的應用。 內圈兩側加長,且帶有偏心套,可快速方便地裝在軸上。
快速方便安裝在軸上
可承受初始靜態不對中
使用壽命長
降低噪聲和振動級別

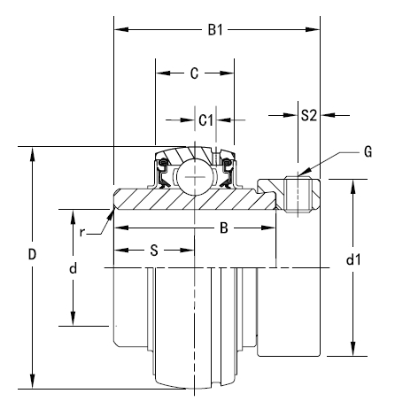
規格
孔型 | 圓柱孔 |
軸承類型 | 滾珠軸承 |
軸尺寸 d | 65 毫米 |
材料 | 軸承鋼 |
鎖定方式 | 偏心鎖環 |
方面
外徑D | 120.000 毫米 |
內圈寬度 B | 68.2 毫米 |
外圈寬度 C | 28 毫米 |
半徑r | 1.5 毫米 |
凹槽位置 C1 | 7.5 毫米 |
S 端的軸承中心 | 34.1 毫米 |
緊定螺釘距離 S2 | 8.5 毫米 |
緊定螺釘尺寸 | M10x1.25 |
緊定螺釘數量 | 1個 |
尺寸 d1 | 92 毫米 |
維度 B1 | 85.7 毫米 |
基本額定載荷
額定靜載荷 | 40100N |
額定動載荷 | 57200N |
魯岳不銹鋼軸承(無錫)有限公司生產的SIAIF帶座外球面軸承 ?UEL213 使用范圍很廣,主要應用于鋼廠冶金、玻璃、高爐、噴漆設備、礦山機械、輸送機、傳輸裝置、鍋爐風機、真空設備、窯爐窯車、機床設備、工程機械、、輸送設備、顆粒機、振動篩、汽車、石油、電力、電機、風電設備等高溫作業機械。本公司生產的帶座外球面軸承 ?UEL213>產品價格合理,保證質量,滿足客戶的產品工藝需求。


