詳細信息
帶加長內圈和緊定螺釘鎖緊的立式軸承座日本標準鑄鐵球軸承單元
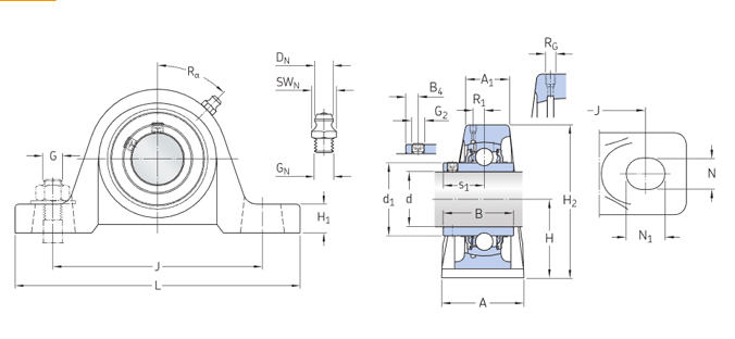
立式(軸臺式)球軸承單元包括一個安裝在鑄鐵軸承座內的嵌入式軸承,軸承座可通過螺栓安裝在支撐面上。 這種單元強度高,硬度大,適用于旋轉方向固定或交替的應用。 內圈兩側加長,通過擰緊內圈上的緊定螺釘鎖定在軸上,便于安裝。
堅固
適合恒定和交替旋轉
安裝方便
軸承已預填潤滑脂并配備密封
可在軸上快速鎖定
性價比高

規格
軸承編號 | UEL205-15 |
鎖定方式 | 偏心鎖環 |
房屋建筑 | 雙螺栓軸臺 |
方面
底座到中心高度 H | 36.5 毫米 |
總長度 L | 140 毫米 |
外殼寬度 A | 38 毫米 |
螺栓孔間距 J | 105 毫米 |
螺栓孔尺寸 N | 13 毫米 |
螺栓孔長度 N1 | 18 毫米 |
腳高 H1 | 16 毫米 |
總高度 H2 | 70 毫米 |
尺寸 L1 | 38 毫米 |
維度 B1 | 44.4 毫米 |
S 端的軸承中心 | 17.5 毫米 |
螺栓尺寸 | M10 |
基本額定載荷
額定靜載荷 | 7850N |
額定動載荷 | 14000N |
魯岳不銹鋼軸承(無錫)有限公司生產的SIAIF帶座外球面軸承 ?UELP205-15 使用范圍很廣,主要應用于鋼廠冶金、玻璃、高爐、噴漆設備、礦山機械、輸送機、傳輸裝置、鍋爐風機、真空設備、窯爐窯車、機床設備、工程機械、、輸送設備、顆粒機、振動篩、汽車、石油、電力、電機、風電設備等高溫作業機械。本公司生產的帶座外球面軸承 ?UELP205-15>產品價格合理,保證質量,滿足客戶的產品工藝需求。


