帶加長內圈和緊定螺釘鎖緊的高溫立式ISO 標準鑄鐵軸承座球軸承單元
立式(軸臺式)球軸承單元包括一個安裝在鑄鐵軸承座內的嵌入式軸承,軸承座可通過螺栓安裝在支撐面上。 這種單元適用于旋轉方向固定或交替的高溫應用。 內圈兩側加長,通過擰緊內圈上的緊定螺釘鎖定在軸上,便于安裝。
堅固
適合高溫應用
適合恒定和交替旋轉
安裝方便
軸承已預填潤滑脂并配備密封
可在軸上快速鎖定

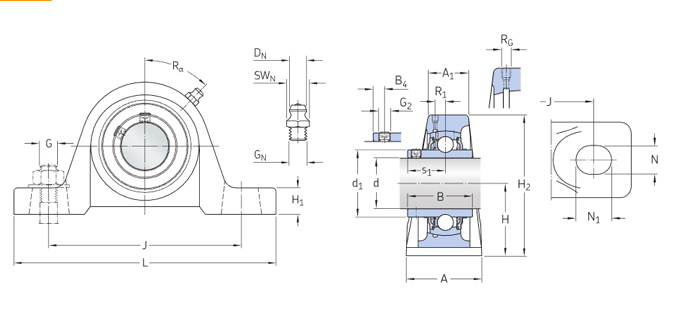
尺寸
| d | 20 mm | 軸徑 |
|---|---|---|
| d1 | ≈ 28.2 mm | 內圈擋邊直徑 |
| A | 32 mm | 底座寬度 |
| A1 | 21 mm | 最高寬度 |
| B | 31 mm | 內圈寬度 |
| B4 | 4.5 mm | 鎖定扣側面到螺紋中心距離 |
| H | 33.3 mm | 球形外表面的中心高度 |
| H1 | 14 mm | 階梯高度 |
| H2 | 64.5 mm | 總高度 |
| J | 97 mm | 連接螺栓之間的距離 |
| J | min. 88 mm | 連接螺栓之間的最小距離 |
| J | max. 106 mm | 連接螺栓之間的最大距離 |
| L | 127 mm | 總寬度 |
| N | 11.5 mm | 連接螺栓孔的寬度 |
| N1 | 20.5 mm | 連接螺栓孔的長度 |
| s1 | 18.3 mm | 鎖定扣側面到滾道中心的距離 |
數據計算
| 基本額定動荷 | C | 12.7 kN |
|---|---|---|
| 基本額定靜負荷 | C0 | 6.55 kN |
| 極限轉速 | 260 r/min | |
| 工作溫度 | T | max. 350 °C |
重量
| 軸承單元重量 | 0.56 kg |
安裝信息
| 緊定螺釘 | G2 | M6x0.75 |
|---|---|---|
| 緊定螺釘的六角扳手尺寸 | 3 mm | |
| 推薦的緊定螺釘擰緊力矩 | 4 N·m | |
| 連接螺栓,推薦公制 | G | 10 mm |
| 連接螺栓,推薦英制 | G | 0.375 in |
包含的產品
| 軸承 | UC204/VA228 |
魯岳不銹鋼軸承(無錫)有限公司生產的SIAIF高溫帶座外球面軸承 ?UCP204/VA228 使用范圍很廣,主要應用于鋼廠冶金、玻璃、高爐、噴漆設備、礦山機械、輸送機、傳輸裝置、鍋爐風機、真空設備、窯爐窯車、機床設備、工程機械、、輸送設備、顆粒機、振動篩、汽車、石油、電力、電機、風電設備等高溫作業機械。本公司生產的高溫帶座外球面軸承 ?UCP204/VA228>產品價格合理,保證質量,滿足客戶的產品工藝需求。


